Пральня в лікарні під ключ
У лікарні діють жорсткі санітарні вимоги до обробки спецодягу, постільної та операційної білизни. Тому пральня тут — не «просто прання», а частина системи гігієни.
У низці відділень (інфекційні стаціонари, хірургія тощо) вимоги вищі. У таких випадках закладають бар’єрну схему, щоб виключити перетин потоків брудної та чистої білизни.
Нижче наведено три типові комплектації, які можна взяти за основу й адаптувати за продуктивністю, бюджетом та санітарними вимогами.
Переваги пральні в лікарні
1) Гігієна та керовані ризики
Технологія будується під санітарні вимоги: режими, розділення потоків, фінішна обробка та зберігання.
2) Узгоджений процес без «вузьких місць»
Комплектації підібрані так, щоб прання, сушіння та прасування не гальмували одне одного за продуктивністю.
3) Можливість посилити вимоги без зміни концепції
Можна перейти на бар’єрну схему або підсилити етапи обробки без повної перебудови ділянки.
Варіанти комплектацій
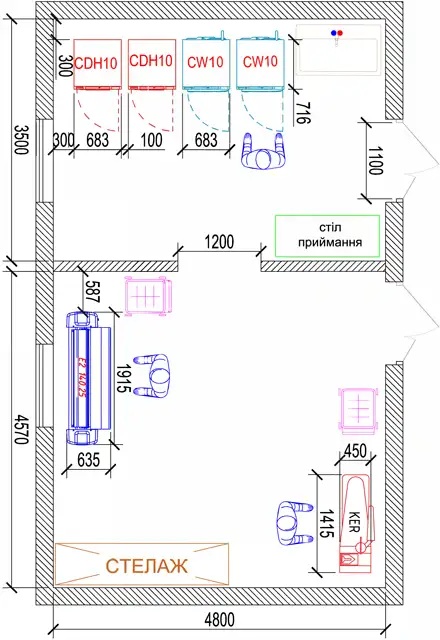
Пральня лікарні до 200 кг за зміну
Базовий варіант для невеликої лікарні. Комплектація закриває повний цикл обробки: прання, сушіння та фінішну обробку прямої білизни і спецодягу.
Пральні машини забезпечують повний цикл прання в межах 40–60 хвилин. Сушильні машини встигають за потоком за рахунок низької залишкової вологості після віджиму.
Пряму білизну прасують на катку за умови попереднього сушіння до залишкової вологості 10–15% (орієнтир 15–20 хвилин). Спецодяг персоналу обробляють на прасувальній дошці з парогенератором та електропаровою праскою.
|
Пральна машина IPSO CW10 | 2 шт. |
|
Сушильна машина IPSO CDH10 | 2 шт. |
|
Прасувальний каток GMP e²140.25 | 1 шт. |
|
Прасувальна дошка KER/2 | 1 шт. |
|
Візок для білизни ALVI 1380CR | 2 шт. |
Пральня з бар'єрними пральними машинами
Рішення для об’єктів, де критично важливо виключити перетин брудного та чистого потоків. Бар’єрні пральні машини встановлюються в стіну між «брудною» та «чистою» зонами: завантаження виконується зі сторони брудної зони, вивантаження — у чисту.
Подальші операції (сушіння, прасування, складання та передача у зберігання) виконуються у чистій зоні. Для спецодягу використовується професійний прасувальний стіл, для прямої білизни — каландр.
Пральня лікарні до 500 кг за зміну
Варіант для великої лікарні або централізованої пральні. Комплектація розрахована на інтенсивну роботу та може масштабуватися за рахунок роботи у 2–3 зміни.
Для стабільного результату зазвичай закладають дозування рідких мийних засобів. Пряму білизну обробляють на каландрі: він досушує та прасує білизну із залишковою вологістю до 50%, тому окреме сушіння для цього потоку часто не потрібне.
Для спецодягу та халатів персоналу використовується консольний прасувальний стіл із вбудованим парогенератором та електропаровою праскою.
Тут представлені готові комплектації пральні для лікарні з різними рівнями санітарних вимог і продуктивності. Базові рішення можна адаптувати під ваш об’єкт: склад білизни (операційна/постільна/спецодяг), розділення зон, режими обробки та фактичне навантаження по змінах.
Якщо ви підбираєте моделі та характеристики для порівняння, перейдіть у Каталог обладнання для пральні.
Також можна переглянути інші сценарії у розділі Пральня під ключ.
