Обладнання для пральні в готелі
Власна пральня у готелі дає незаперечні переваги
Готель сам контролює якість прання, збільшує термін експлуатації білизни, набуває незалежності від коливань цін на послуги та часу виконання замовлення.
При підборі прального обладнання для готелю слід враховувати наступне:
- кількість білизни у кілограмах
- ступінь забруднення
- склад тканини
- потоки білизни (пряма постільна та ресторанна білизна, махрова, фасонна білизна)
- місце розташування пральні (1-й поверх, підвал, окрема будівля)
- режим роботи (1 або 2 зміни) тощо
Продуктивність професійного прального обладнання дуже висока. За 8-годинну зміну пральна машина виконає від 6 до 10 циклів прання, залежно від обраної програми.
Для білизни із сильним забрудненням (плями жиру, забруднення СПА процедур тощо) цикл прання триватиме до 80 хвилин. Білизна номерного фонду переться приблизно 40 хвилин.
Промислові сушильні машини швидко та ефективно сушать білизну близько 30 хвилин. Сушіння махрових рушників та халатів може зайняти до 60 хвилин.
Скатертини, простирадла, підковдри, наволочки, штори прасують на катках або каландрах. Уніформу та одяг прасують на професійному столі. Слід врахувати, що махрові рушники та халати прасувати не потрібно. Після сушіння їх акуратно складають та відправляють до кімнати для зберігання білизни.
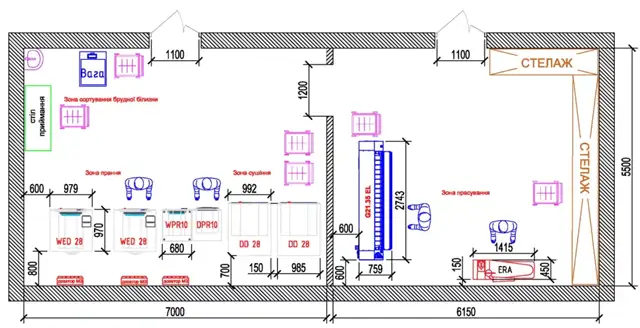
Пральня для готелю, до 100 кг в зміну
Для хостелів, міні-готелів, саун, невеликих ресторанів потреба у пранні становить від 50 до 100 кг за зміну. Тут немає потреби у покупці промислових машин – з таким обсягом легко впораються професійні.
Професійні машини обладнані ТЕНами на 5 кВт, тривалість циклу як у промислових – 40-60 хвилин. Ці моделі мають компактні розміри та низький рівень шуму. Управління просте та зрозуміле, не потребує додаткового навчання.
У такій пральні може працювати 1–2 особи. Прасувальний каток з регулятором швидкості дасть гарну якість прасування прямої білизни (простирадла, скатертини, підковдри тощо).
Професійна прасувальна дошка постачається з електро-паровою праскою та вбудованим парогенератором. Дошка використовується для прасування спецодягу та іншого фасонного одягу.
|
Пральна машина IPSO CW10 | 1 шт. |
|
Сушильна машина IPSO CDH10 | 1 шт. |
|
Прасувальний каток GMP e²140.25 | 1 шт. |
|
Прасувальна дошка KER/2 | 1 шт. |
|
Візок для білизни ALVI 1380CR | 2 шт. |
Пральня для готелю, до 250 кг в зміну
Пральні підходять для готелів середнього розміру, ресторанно-готельних комплексів, фітнес-центрів тощо. Розташувати таку пральню краще на першому або в цокольному поверсі, оптимально в окремій будівлі.
Для таких пралень більше підійдуть промислові машини більшого завантаження. Завантаження професійних моделей не перевищує 10-13 кг.
У такій пральні необхідно 2-3 особи. Для прасування прямої білизни можна використовувати каток, але краще каландр з хромованим валом.
Для уніформи персоналу та речей клієнтів необхідний професійний прасувальний стіл. Модель має бути укомплектована парогенератором та професійною електро-паровою праскою.
Пральня для готелю, до 500 кг в зміну
Цій пральні під силу забезпечити чистою білизною великий готель або санаторій. Для такої пральні необхідно підготувати просторі приміщення для збирання брудної білизни та зберігання чистої.
Тут більше підійдуть промислові машини більшого завантаження укомплектовані дозаторами. Професійні моделі будуть використовуватись для обробки малих партій білизни.
3-4 працівники повинні впоратися з сортуванням білизни, пранням, сушінням та прасуванням. Для прасування прямої білизни слід використовувати прасувальний каландр із хромованим валом та шириною робочої поверхні від 2 метрів.
Для уніформи персоналу та речей клієнтів підійде професійний стіл для прасування. Модель повинна бути укомплектована парогенератором та професійною електропаровою праскою.
Висновок
Якщо дозволяє бюджет, то бажано купити підресорені пральні машини. Віджим до 1000 об/хв забезпечить після прання залишкову вологість не більше 50%. Низька залишкова вологість скорочує тривалість сушіння та економить електроенергію. Білизну після прання в таких машинах можна відразу прасувати на сушильно-прасувальному ккатку (каландрі).
Економне, максимально ефективне прання забезпечать моделі з програмованим мікропроцесором. Він дозволяє створювати індивідуальні програми прання та аквачистки, враховуючи специфіку та ступінь забруднення білизни.
Всі моделі промислових пральних машин наших постачальників мають мікропроцесор, що вільно програмується. Підключимо та налаштуємо дозувальне обладнання для економії хімії та блискучого результату прання.
Якщо у вас виникли складнощі, ви не можете визначитися з комплектацією, дзвоніть або пишіть! Ми допоможемо підібрати варіант, який максимально підійде для вашого готелю.
